型号构成 
| ① | 型号 | 型号定义 | ③ | 型号 | 型号定义 | ⑤ | 型号 | 型号定义 |
| SM12 | M12分线模组 | J | 1信号/Port | 0 | 无主电缆 | |||
| K | 2信号/Port | |||||||
| ② | 型号 | 型号定义 | ④ | 型号 | 型号定义 | ⑥ | 型号 | 型号定义 |
| A | 带电缆型 | 4 | 4 Port型 | N | NPN型(+com) | |||
| B | 连接器接口型 | 8 | 8 Port型 | P | PNP型(-com) | |||
| T | 接线端子型 | 12 | 12 Port型 | Z | 无指示灯型 |
型号选定
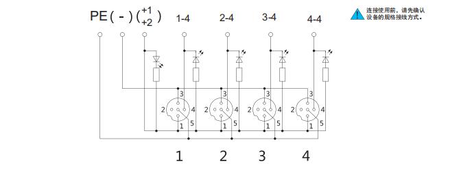
| 型号 | 信号数量 | 极性 | 上位连接方式 | 分线连接器型号 | 尺寸 | 固定方式 |
| SM12T-J40N | 1信号×4 | NPN | 20P端子连接 | M12连接器×4 | 53×96 | 螺丝固定 |
| SM12T-J40P | 1信号×4 | PNP | 20P端子连接 | M12连接器×4 | 53×96 | |
| SM12T-J40Z | 1信号×4 | 无 | 20P端子连接 | M12连接器×4 | 53×96 | |
| SM12T-K40N | 2信号×4 | NPN | 20P端子连接 | M12连接器×4 | 53×96 | |
| SM12T-K40P | 2信号×4 | PNP | 20P端子连接 | M12连接器×4 | 53×96 | |
| SM12T-K40Z | 2信号×4 | 无 | 20P端子连接 | M12连接器×4 | 53×96 | |
| SM12T-J80N | 1信号×8 | NPN | 20P端子连接 | M12连接器×8 | 53×150 | |
| SM12T-J80P | 1信号×8 | PNP | 20P端子连接 | M12连接器×8 | 53×150 | |
| SM12T-J80Z | 1信号×8 | 无 | 20P端子连接 | M12连接器×8 | 53×150 | |
| SM12T-K80N | 2信号×8 | NPN | 20P端子连接 | M12连接器×8 | 53×150 | |
| SM12T-K80P | 2信号×8 | PNP | 20P端子连接 | M12连接器×8 | 53×150 | |
| SM12T-K80Z | 2信号×8 | 无 | 20P端子连接 | M12连接器×8 | 53×150 | |
| SM12T-J120N | 1信号×12 | NPN | 20P端子连接 | M12连接器×12 | 53×204 | |
| SM12T-J120P | 1信号×12 | PNP | 20P端子连接 | M12连接器×12 | 53×204 | |
| SM12T-J120Z | 1信号×12 | 无 | 20P端子连接 | M12连接器×12 | 53×204 |
一般特性
| 额定电压 | DC12V~24V |
| 额定电流 | 2A Per I/O |
| 4A Per Port | |
| 绝缘阻抗 | 1000MΩ以上(DC500V) |
| 耐电压 | AC 1000V 1min |
| 防护安全级别 | IP67 |
| 拆装次数 | 200次 |
| 电缆外径 | φ8~φ13.5 |
| 工作温度 | -25~75℃ |
材质
| 连接器(M12) | Shell:Brass/Nickel-Plated |
| Contact:Brass/Gold-Plated | |
| 外壳 | PPO(GF 10%)UL94V-0 |
| 防水圈 | 橡胶 |
| 线路板 | 双面线路板 |
| 填充胶 | 环氧树脂 |


版权所有:天津思科电气有限公司 工厂地址:天津市东丽经济开发区1纬路9号
技术支持:天津求谛网络科技有限公司
津ICP备19011590号-2
津公安备12011002019221号




